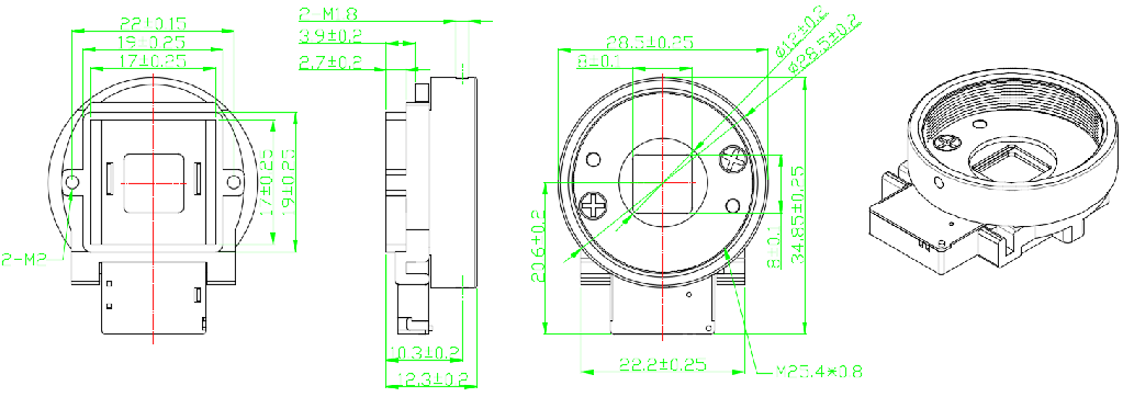
Product specificationsupport Sensor:CMOS Sensor
Product material:PC+GF
Filter glass thickness:0.145\ 0.21\ 0.3mm(optional)
Spectrum of filter glass:IR400-650 \AR400-1100nm
Switch test:blue glass,Don't switch
collocation lens:M24.5 screw-mount lens
Sensor frame:17mm*17mm*3.9mm
Visible window:8mm*8mm
Screw hole distance:22mm
Working temperature:-20℃~80℃
Working humidity:60%±15%
Overall dimensions:34.85mm*28.5mm*12.3mm
Overall dimension