Product center

Plastic combined structure, using body and lens holder, can provide different matching schemes according to customer needs
The internal structural parts and shell are made of precision molds
Instant power supply, automatic positioning
High temperatur

Demand consultation

Product specification

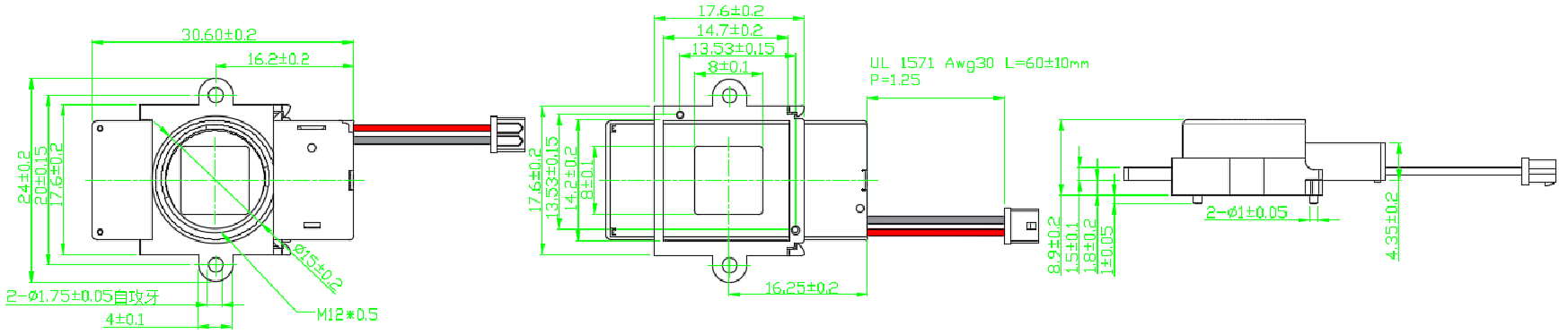
support Sensor:CMOS Sensor

Drive way:Impulse type

Product material:PC+GF

driving voltage:5V

Matching resistance:15Ω-20Ω、33Ω

Drive time:250ms-450ms

Filter glass thickness:0.145\ 0.21\ 0.3mm(optional)

Spectrum of filter glass:IR400-650 \AR400-1100nm

Life test:5WAt a time
collocation lens:M12screw-mount lens

Sensor frame:14.2mm*14.7mm*1.8mm

Visible window:8mm*8mm

Screw hole distance:20mm

wire:30AWG,The terminal and length are optional

Working temperature:-20℃~80℃

Working humidity:60%±15%

Overall dimensions:30.6mm*24mm*8.9mm

Overall dimension
image.png
Related solutions