Product specificationsupport Sensor:CMOS Sensor
Drive way:Impulse type
Product material:PC+GF
driving voltage:5V
Matching resistance:55Ω
Drive time:250ms-450ms
Filter glass thickness:0.145\ 0.21\ 0.3mm(optional)
Spectrum of filter glass:IR400-650 \AR400-1100nm
Life test:5WAt a time
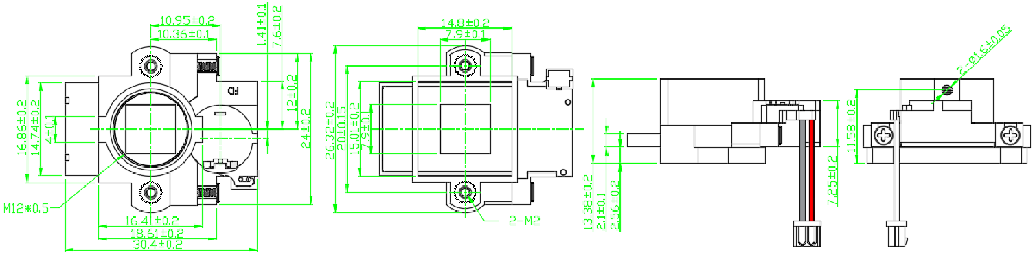
collocation lens:M12screw-mount lensSensor frame:/
Visible window:7.5mm*7.5mm
Screw hole distance:20mm
wire:30AWG,The terminal and length are optional
Working temperature:-20℃~80℃
Working humidity:60%±15%
Overall dimensions:30.4mm*26.32mm*13.38mm
Overall dimension