
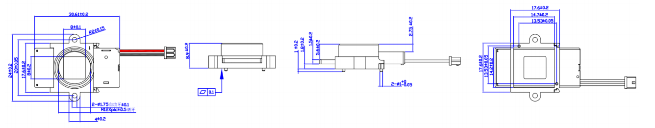
产品规格
支援Sensor:CMOS Sensor
驱动方式:脉冲式
产品材质:PC+GF
驱动电压:5V
匹配电阻:15\20\33Ω
驱动时间:250ms-450ms
滤片厚度:0.145\ 0.21\ 0.3mm(可选)
滤片光谱:IR400-650 \AR40-1100
切换寿命:5W次
搭配镜头:M12螺口镜头
视窗口:7.5mm*7.5mm
固定孔距:20mm
引出线:30AWG,有无端子及长度可选
工作温度:-20℃~80℃
工作湿度:60%±15%
外形尺寸:30.61mm*24mm*8.9mm